x
c a d d   c e n t r e


Kolathur Student Projects - Kolathur Branch


Jothi Shree

software used:

AutoCAD Electrical

Description :

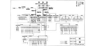
Single Line Diagram


Chennai Student Projects - Chennai Branch


Sri Ram

software used:

Autocad 3D

Description :

Motherboard